伺服控制最原始的方式叫脉冲控制(西门子里叫PTO控制):接IO多功能端子,接脉冲线、方向线、使能线、报警线、公共端等。
优点:每个品牌都是适用,可以用任何品牌的PLC控制任意品牌的伺服,原理都是PLC发高速脉冲给伺服驱动器。
S7-1200PLC通过PROFINET与V90 PN伺服驱动器搭配进行位置控制
实现的方法主要有以下三种:
①在PLC中组态位置轴工艺对象,V90使用标准报文3;
②在PLC中使用FB284(SINA_POS)功能块,V90使用西门子111报文;
③在PLC中使用FB38002(Easy_SINA_Pos)功能块,V90使用西门子111报文;
本文重点描述方法一的配置过程!
先全面了解V90伺服的基本情况
SINAMICS V90是西门子推出的一款小型、高效便捷的伺服系统,可实现位置控制、速度控制和扭矩控制,性能卓越、经济实用、稳定可靠。
1.找伺服相关的手册以及下载按照调试软件,这里给大家汇总了:
V90样本:https://www.ad.siemens.com.cn/download/docMessage.aspx?Id=9035
https://www.ad.siemens.com.cn/download/docMessage.aspx?Id=9035
V90脉冲版操作手册(2017.04):
https://support.industry.siemens.com/cs/cn/zh/view/109748469
https://support.industry.siemens.com/cs/cn/zh/view/109748469V90Profinet版操作手册(2017.04):
https://support.industry.siemens.com/cs/cn/zh/view/109748475
https://support.industry.siemens.com/cs/cn/zh/view/109748475V90调试软件V-ASSISTANT(1.05.01):
https://support.industry.siemens.com/cs/cn/zh/view/109742493
https://support.industry.siemens.com/cs/cn/zh/view/109742493V90Profinet版的GSD文件(2.32):
https://support.industry.siemens.com/cs/cn/en/view/109737269
https://support.industry.siemens.com/cs/cn/en/view/109737269
2.看V90伺服驱动器的铭牌,了解其基本参数:
3.看伺服电机的铭牌,了解其基本参数:
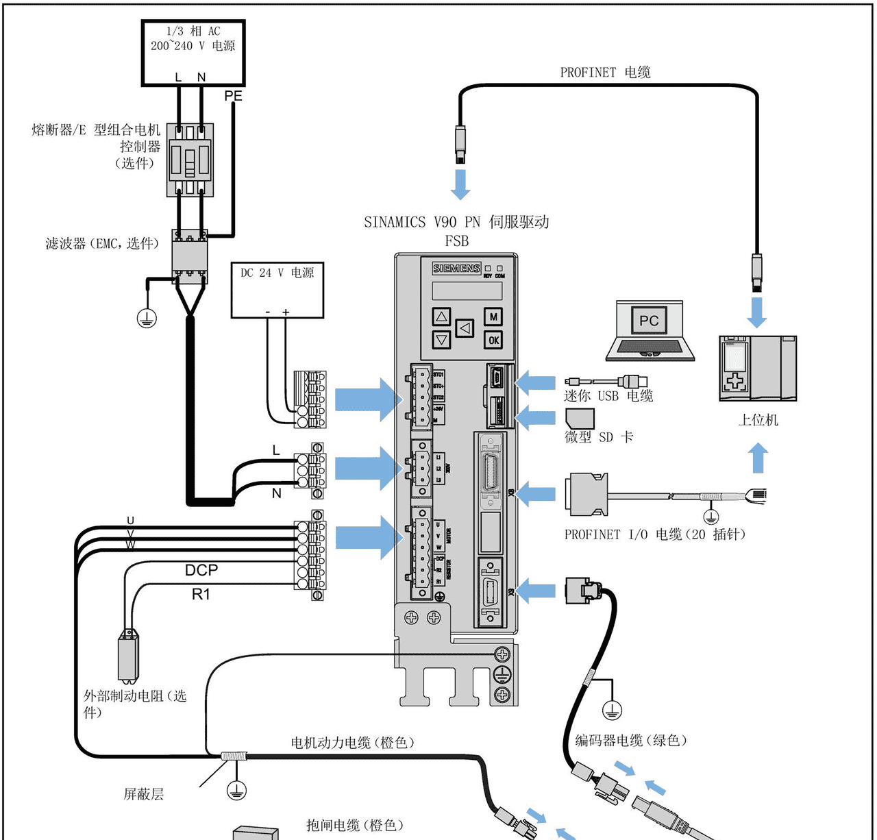
4.再看系统硬件预览图,了解PLC和V90伺服之间应该如何接线,伺服应该如何供电:
通过上面的说明,我们可以知道:
首先需要接UVW三相电机线,其次接入L/N单相220V供电,最后接入+24V/0V,网线一端接PLC,另一端接伺服上方X150P1:PROFINET接口。
利用V-ASSISTANT调试软件进行配置
1.修改电脑的IP地址:192.168.0.112(西门子为0网段)
2.设置PG/PC接口,确认是否为这个网口的接口,并选择Auto
3.新建一个博图工程,“在线访问”中选择“在线和诊断”,扫描出来可访问的设备
4.给这个可访问的设备分配IP(同网段)和名称,再更新可访问设备即可
5.打开V-ASSISTANT软件,选择ETHERNET连接,语言为“中文”
6.在网络视图中,选择V90 PN伺服,点击设备调试
7.选择“工具”-“出厂值”,恢复一下出厂设置
8.恢复完出厂设置后,点击“保存参数到ROM”,之后点击“重启驱动器”
9.切换到“在线模式”,选择“设置PROFINET”,选择当前报文为“标准报文3”,保存参数到ROM,并重启驱动器,至此调试软件设置完毕
10.回到博图软件中进行工艺轴组态配置即可
接下来的具体操作,可以这篇文章,除了用“工艺对象-调试”进行操作外,也可以用轴控指令编写程序。
https://blog.csdn.net/viixin/article/details/155458447?spm=1001.2014.3001.5501
https://blog.csdn.net/viixin/article/details/155458447?spm=1001.2014.3001.5501至此,V90使用标准报文3,在PLC中组态位置轴工艺对象,实现西门子1200PLC通过PN总线控制V90伺服的方法就操作完毕了!


