晶振一般叫做晶体谐振器,是石英晶体振荡器(Quartz Crystal Oscillator)的简称。主要用于稳定和选择频率时钟信号CLK(CLOCK的缩写),就是数字电路工作基准,使各个相连的设备统一协调工作,在主板中就像人体心脏超级重大,时钟的基本单位是Hz(赫兹),在主板上有许多独立的时钟:

一.32.768KHZ:南桥、PCH、EC等附近
1.常见的外观有圆形与长方形,如下图所示:

2.电路图中开头会用字母X或XT表明,如下图X2000所示:

3.在主板上的位置图:

图1

图2
4.波形图:

5.作用.
32.768KHZ在主板上的作用也不可忽视。工作电压是0.4V左右。它控制着电脑的系统时间的基准,同时在上电之前为主板南桥/PCH内提供工作时钟。同时也是通过它产生原始时钟频率,经过发生器放大或缩小成电脑中各种不同频率控制总线。如果主板32.768K晶振故障。一般会有如下问题产生。
1.电脑不开机
2.电脑reset复位灯常亮
3.系统时间不准
4.开机进入系统慢
5.用主板测试卡测试的时候一直乱码
6.其他相关故障
二.14.318MHZ :主时钟晶振
1.常见的外观有长方形或长方形带弧形,如下图所示:

2.电路图中开头会用字母X或XT表明,如下图X2所示:

3.在主板上的位置图:


4.波形图:

5.作用.
早期的主时钟14.318MHZ 均放在主板上,目前从55系例PCH出现此时钟就放在了芯片内部,外部再也看不到了,此时钟提供了一个标准时钟,通过配置芯片内部的寄存器已将外部时钟进行分频、倍频或者频差等,从而得到各个模块工作的时钟,列如PCI 33MHz/PCEI 133MHz/AGP 66MHz/USB 48MHz等等都是分频后送到各外设使用.如果主板14.318MHZ晶振故障。一般会出现以下问题。
1.主板无显示
2.不开机
3.开机死机或蓝屏等等.
三. 25MHz:网卡晶振
1.常见的外观有长方形带弧形,如下图所示:

2.电路图中开头会用字母X或XT表明,如下图X1所示:

3.在主板上的位置图:

4.波形图:

5.作用.
一般主板网卡芯片旁边会出现25MHz这个晶体,这个时钟是给网卡独立提供使用,目前带网卡芯片的都会有这个晶体出现,如果主板25MHZ晶振故障,一般会出现以下问题。
1.网卡抓不到
2.主板不显示
3.主板当机蓝屏等等
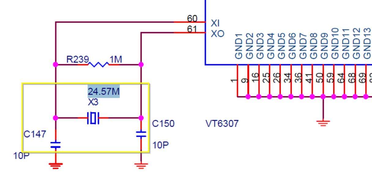
四.24.576MHZ :1394或声卡:
1.常见的外观有长方形带弧形,如下图所示:

2.电路图中开头会用字母X或XT表明,如下图X3所示:

3.在主板上的位置图:

4.波形图:

5.作用.
早期的主板有1394芯片的一般都有这颗晶体,另外目前的音频也采用此信号,但是音频芯片由PCH内部分频器送到音频芯片,所以外部是没有独立的晶体,如果主板24.576MHZ晶振故障,一般会出现以下问题。
1.开机无显示
2.开机当机
3.抓不到1394芯片或声卡
五.分频器输出常规波形图:
CPU波形图:

PCIE波形图:

PCI波形图:

图1

图2
AGP波形图:

备注:欢迎大家关注我的头条号:跟我学电脑,每天都会有新的知识提供大家学习,同时也希望大家多多转发,评论与点赞,你们的每一次转发都是给我最大的协助,感恩你们!!!




晶振可以用万用表测量好坏吗?
这个不可以,量测出来也不准确
大家可以学习一下
请教一下,用万用表检测,这几种晶振测量电压是多少mV?有没有直流偏置
一般都是0.2-0.5直间
我居然看完了!
可以多学习一下,我花了一上午整理和测量的
请问,如果寻找一款笔记本的图纸或完整图纸,有网站或分享没
我这边就有,全部都在服务器上面
晶振如何判断好坏呢
谢谢老师
学习了
很好看
收藏了,感谢分享