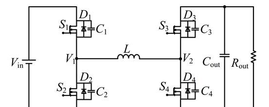
在传统的 DC-DC 变换器中,Buck变换器和 Boost 变换器是最基本的两种电路拓扑之一。将Buck 变换器与 Boost 变换器级联起来,通过变形可得到如图所示的双管 Buck-Boost 变换器。

这种Buck+Boost形式的变换器是真正意义上的Buck电路加Boost电路。与反极性Buck-Boost变换器相比,具有输入输出电压同极性、无源元件少及开关管电压应力较低的优点。不过由于二极管 D2 和 D3 的存在,影响了变换器效率的进一步提升。因此,一般采用 同步整流技术提升变换器的效率,也就是采用 MOSFET 开关管替代续流二极管。将图中的D2和D3分别用S2和S3取代,为此提出了如图所示的四开关Buck-Boost (Four Switch Buck-Boost, FSBB)变换器。

四开关Buck-Boost电源是一种常用的直流-直流(DC-DC)转换器拓扑结构,它可以实现输入电压的降压和升压功能。它由四个功率开关组成,一般采用MOSFET作为开关元件。
-
四开关Buck-Boost工作过程的解析:
原理:四开关Buck-Boost电源利用开关电路的开关周期性地将输入电源与输出负载连接或断开,通过调节开关状态和开关周期,控制输出电压的大小。其基本原理是通过合理控制开关电路的导通和截止时间,实现对输入电压的有效调节,从而达到降压和升压的目的。
工作过程:

正常工作状态下,开关S1和S4闭合,开关S2和S3断开。此时,输入电源与负载之间形成一个闭合回路。输入电压经过S1和L1进入负载,同时通过D2和Cout回到负载侧的电源接地。
当S1和S4打开,S2和S3闭合时,输入电源与负载之间断开。此时,电感L1的磁场能量储存在其内部,产生反向电压,此时电感L1充当能量储存元件。负载从电感L1和Cout获取能量。
接下来,S1和S4再次闭合,S2和S3打开。此时,电感L1上的储存能量释放到负载上,同时通过D1和C1回到输入电源。
通过不断重复上述步骤,Buck-Boost电源实现了对输入电压的降压和升压。通过调节开关的占空比和开关频率,可以控制输出电压的大小和稳定性。常见的控制方法包括脉宽调制(PWM)和脉冲频率调制(PFM)。
需要注意的是,Buck-Boost电源中还需要使用控制电路来监测输出电压并相应地调整开关状态,以保持输出电压稳定。常见的控制方法包括反馈控制和开环控制。
总之,四开关Buck-Boost电源通过周期性地调节开关状态,实现对输入电压的降压和升压,是一种常用的DC-DC转换器拓扑结构。
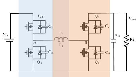
四开关 Buck-Boost 变换器不仅具有升降压功能,还具有功率器件 电压应力低、无源元件少以及输入输出同极性、共地等优点,适用于输入电压范围较 宽的应用场合,同步整流技术的使用也使得其具有较高的变换效率。

d1: Q1占空比;d2: Q3占空比

四开关Buck-Boost变换器具有 d1和 d2 两个控制自由度,有利于变换器的优化设 计和控制策略的实现,为降低变换器导通损耗和开关损耗提供了契机,也为提高变换器效率提供了可能性。
-
四开关Buck-Boost主要应用场景
四开关Buck-Boost电源在直流-直流(DC-DC)转换器领域有广泛的应用,主要适用于以下场景:
可调电源:四开关Buck-Boost电源可以提供可调的输出电压,使其适用于需要变化输出电压的应用。例如,电动车辆的电池充电系统、太阳能和风能发电系统等。
电池管理:该拓扑结构常用于电池管理系统,用于将电池的电压升压或降压到适当的水平。它可以实现电池充电、放电和维持其输出电压的稳定性,广泛应用于便携式设备、无线传感器网络等领域。最常见的就是充电宝的应用。
汽车电子:四开关Buck-Boost电源在汽车电子中具有重大的应用,如车载娱乐系统、照明系统和电动车辆电力管理系统等。由于汽车电子系统中的电压需求多样化且变化范围广泛,Buck-Boost拓扑结构能够满足这些需求。
太阳能和风能转换器:在可再生能源系统中,太阳能和风能转换器一般需要将非稳定的输入电压转换为稳定的输出电压。四开关Buck-Boost电源可以提供高效的能量转换和稳定的输出电压,因此被广泛用于太阳能光伏系统和风力发电系统。
电动汽车充电桩:电动汽车充电桩需要将交流电网的电压转换为适当的直流电压进行电池充电。四开关Buck-Boost电源可用于充电桩的电力转换模块,实现高效、可调的直流电压输出。
总之,四开关Buck-Boost电源在需要调节输入电压的场景下具有广泛应用,包括可调电源、电池管理、汽车电子、可再生能源转换器和电动汽车充电桩等领域。
-
四开关Buck-Boost的优缺点
四开关Buck-Boost电源作为一种直流-直流(DC-DC)转换器拓扑结构,具有以下优点和缺点:
优点:
宽输入电压范围:四开关Buck-Boost电源可以适应较宽范围的输入电压,包括降压和升压操作,使其适用于多种应用场景。
高转换效率:该拓扑结构一般能够提供较高的转换效率,减少能量损耗,因此可以提供更高效的能量转换。
可调输出电压:四开关Buck-Boost电源具有可调的输出电压,可以满足不同应用对输出电压的需求,提供更大的灵活性。
电流连续性:相比于其他DC-DC拓扑结构,四开关Buck-Boost电源在大部分工作范围内可以实现电流的连续性,减少电感和负载的压降和电流纹波。
较小的输入输出滤波器:由于其工作原理,四开关Buck-Boost电源相对于其他拓扑结构可以使用较小的输入输出滤波器,降低了成本和尺寸。
缺点:
复杂的控制电路:四开关Buck-Boost电源的控制电路相对较复杂,需要对四个开关进行准确的控制和调节,以实现稳定的输出电压。
开关噪声:由于开关操作的频率较高,四开关Buck-Boost电源可能会引入必定的开关噪声,对一些噪声敏感的应用有必定的影响。
电路复杂度:相比于其他简单的DC-DC转换器拓扑结构,四开关Buck-Boost电源的电路结构和元件数量较多,需要更复杂的布局和设计。
需要根据具体应用的需求和限制来评估四开关Buck-Boost电源的优缺点,并综合思考其性能、成本和可行性,选择适当的DC-DC转换器拓扑结构。
总体来说,应力较低,效率较高,单电感,但开关管较多。较多的应用于电池供电系统,适合于低压高集成度的芯片方案。
你想要的这本硬件的书!





收藏了,感谢分享