H5U的MODBUS通信不需要编写程序,通过组态MODBUS通信配置表,实现数据通信。
做Modbus-TCP 主站即Modbus-TCP客户端,通过Modbus-TCP配置,可最多支持同时与31个Modbus-TCP服务器(从站)进行通讯。
做Modbus-TCP从站,即Modbus-TCP服务器,默认固定开启Modbus-TCP服务,什么都不设置的时候,就是作为Modbus-TCP服务器,端口号为502。H5U最多支持16个Modbus-TCP客户端(主站)同时连接。
下面来看H5U做Modbus-TCP客户端具体配置。
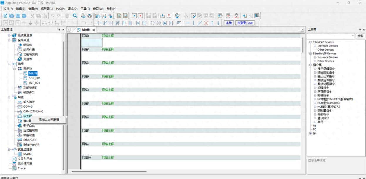
- 打开autoshop软件,新建临时工程,在左侧导航栏配置-以太网,右键,添加以太网配置

2.修改客户端IP地址后,确定,有多个客户端,在上一页多次添加

3.添加服务器后,在左侧目录里找到刚刚添加好的Modbus tcp设备,双击

4.接上一步,双击后会出现下面的画面,这这个画面新增通信配置

5.这里,我新增3条配置
1)写寄存器3个,从H00地址开始
2)读寄存器3个,从H10地址开始
3)写线圈3个,从H00地址开始
读写结果会自动映射到对应寄存器里

- 配置好后,关闭页面,将配置下载到PLC即可,然后连接硬件,就可以通信了,对方的设置要参考对方的使用手册。
© 版权声明
文章版权归作者所有,未经允许请勿转载。
相关文章
您必须登录才能参与评论!
立即登录




收藏了,感谢分享