90元,两年研发,惊艳开源飞控!
想想看,90块钱能买啥?一顿大餐?一件好衣服?但目前,90块钱,你就能拥有一个自己动手做的STM32H743VI开源飞控!是不是很不可思议?这可不是说着玩的,我,一个25岁的写作博主,花了整整两年时间,才捣鼓出这个让人惊艳的玩意儿。
梦想起飞:从零到90元的飞控之路

DIY无人机飞控,目前可是越来越火了!但市面上的飞控,价格动辄几百上千,对于我们这些囊中羞涩的爱好者来说,是不是有点劝退?而且,许多飞控的资料又不够公开透明,想自己改改都难。 所以,我就想,能不能做一个又便宜又好改的飞控呢? 这个想法,一坚持就是两年。期间,我尝试了各种方案,也经历过无数次失败。最终,我成功用90块钱的成本,打造出了这款基于STM32H743VI的开源飞控!
硬件的“心脏”:精挑细选,物超所值

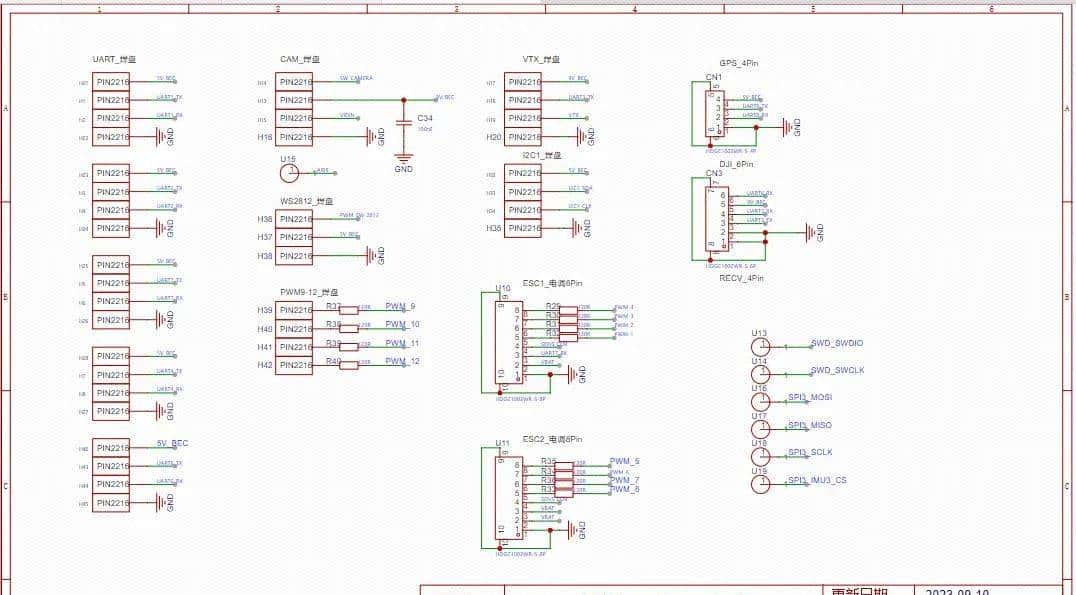
这90块钱里,每一分都花在了刀刃上。 主控芯片我选择了STM32H743VI,性能强劲,价格却很亲民。 为了保证信号的稳定性和可靠性,我用了ELRS 2.4G大功率回传接收机,飞得远,信号还稳。传感器方面,我采用了ICM42688+MPU6500的组合,这组合的精度和稳定性,那是杠杠的!此外,还配备了气压计、磁力计等传感器,让飞控更精准地感知周围环境。AT7456E OSD芯片则负责显示飞行数据,方便我们监控飞行状态。为了确保足够的供电能力,我使用了双3A电流BEC。10路PWM输出则为各种扩展功能提供了可能。
元器件的选择上,我也费了不少心思。虽然0603封装的元件更小巧,但是焊接难度也大了一些,这需要一些技巧。为了方便维护,我特意使用了端子座,维修起来方便多了。天空端直插的设计也方便了不少,但需要注意的是,插拔的时候要轻拿轻放,避免损坏接口。

原理图和PCB图我已经上传到了网上(链接我稍后放出来),大家可以下载参考,里面还包含了详细的焊接技巧,特别是针对0603封装元器件的焊接方法,都给你们详细说明了。有了这些图纸,你也能轻松复制我的成果!
软件的“灵魂”:开源、易用,小白也能玩转

软件方面,我使用了开源固件平台(链接:
https://oshwhub.com/urmouky/h743-x8_fc),这个平台的功能超级强劲,而且完全开源,你甚至可以自己修改代码,打造一个独一无二的飞控系统!它还兼容MatekH7固件,BF和INAV固件也都能轻松刷写。
我已经写好了详细的软件配置教程,从参数设置到校准流程,都讲解得清清楚楚。就算你是个小白,也能轻松上手!当然,对于经验丰富的朋友,你们也可以根据自己的需求进行定制化调整。如果在使用的过程中遇到问题,也可以随时来问我,我会尽力协助大家解决。

实测飞行:稳定、精准,超乎想象
为了验证飞控的性能,我进行了多轮次的测试。测试结果显示,这款飞控的飞行稳定性、响应速度都超级出色,功耗也在可接受的范围内。当然,也有一些不足,列如在长时间高强度飞行时,散热可能会略显不足,后续我会改善散热措施,也会增加LED限流电阻。

我还会分享一些实测的飞行视频,大家可以直观地感受一下这款飞控的性能。 我会把经验技巧也分享给大家,例如如何选择合适的电池、如何调整参数以获得最佳性能。
未来展望:一起创造,共同进步

这款开源飞控项目还有很大的提升空间。我希望有更多的小伙伴参与进来,一起完善它,把它做得更好。 我们可以一起改善功能、提升性能,打造一个更强劲的飞控社区。 如果你有好的想法或者提议,欢迎随时联系我!让我们一起,让DIY飞控变得更简单、更便捷、更有趣!
最后,我想强调一下,这个项目是完全开源的,而且成本极低。我希望有更多的人能参与进来,一起体验DIY的乐趣!大家有什么想法,欢迎在评论区留言,我们一起交流讨论!





你好,你这个是四旋翼的吗?
90元也能飞上天,厉害!
想多了,这只是飞控,加多两倍钱都飞不了
看评论您应该是行家,交流交流?
去哪下载原理图
厉害了👍
收藏了,感谢分享