本文介绍一种改造CH340 USB转串口线使之适合3.3V单片机的方法。
一、 存在的问题
USB串口线是常见的用于电脑与单片机之间进行通信的设备。
目前市面上常见的USB转串口线有CH340串口线。这种串口线是电脑的USB口供电的,电脑的USB输出的电源一般是5V的,那么USB信号转换出来的串口电平一般也是5V的。

如果这种电平接到3.3V的单片机,可能会造成单片机的损坏,那么有没有办法使这种串口线适合3.3V电压的单片机使用呢?
单片机、PLC、电路板、控制器/箱、仪器仪表、机电设备或系统、自动化、工控、传感、数据采集、自控系统、控制系统,物联网,电子产品,软件、APP项目开发设计定制订做业务,可:3w点yonko-tech点com
二、 将串口线改造到3.3V的方法
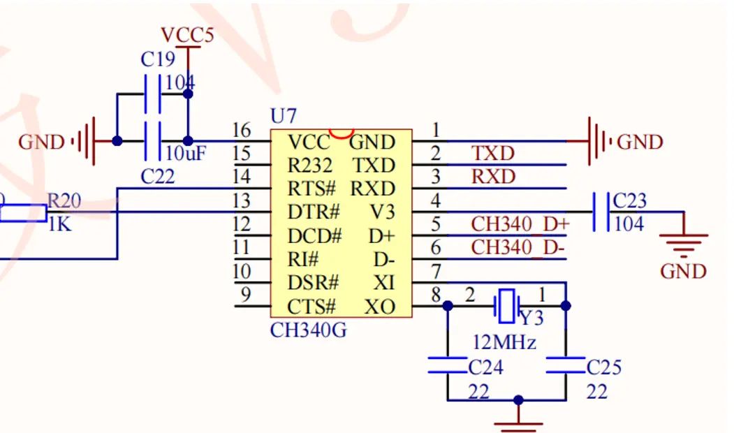
先看一个CH340的参考电路:

图 2中,CH340的5#和6#引脚分别接UBS接口的D+和D-引脚,16#和1#接了USB接口的电源引脚。2#和3#分别是转换后的串口收(RXD)发(TXD)引脚。如果CH340的16#和1#接入了5V电源,那么相应的TXD和RXD也是5V电平的。这个直接接3.3V单片机存在损坏的风险。
再看一下CH340手册上的描述:
CH340 芯片支持 5V 电源电压或者 3.3V 电源电压。当使用 5V 工作电压时,CH340 芯片的 VCC 引脚输入外部 5V 电源,并且 V3 引脚应该外接容量为 0.1uF 的电源退耦电容。当使用 3.3V 工作电压时,CH340 芯片的 V3 引脚应该与 VCC 引脚相连接,同时输入外部的 3.3V 电源,并且与 CH340 芯片相连接 的其它电路的工作电压不能超过 3.3V。
可知CH340实则在3.3V和5V电压上都是可以工作的,只是接到电脑USB口的时候就使用了5V电平。
再看看CH340的电气参数:

对于3.3V单片机来说,单片机的TXD引脚是输出引脚,需对应CH340的输入,这个无影响不需要修改。由于对于CH340输入来说,低于0.7V被判断为低电平,高于2.0V被判断为高电平,3.3V单片机的串口输出电平的范围能够覆盖这个区间。
3.3V单片机的RXD引脚是输入引脚,需对应CH340的输出,CH340的输出的高电平对应的电压最小为(VCC-0.5),如果CH340电源接的是5V,那么输出的高电平最小为4.5V,显然不适合直接接到3.3V的单片机上。
那么,如果对应CH340的输出,就需要降压处理。
降压最直接的办法就是串一个电阻(R),那么多大电阻呢?
由图 3可知,CH340的高电平输出电流约为3mA,那么根据欧姆定律,电流乘以电阻等于电压(5V降到3.3V的电压差),得出算式3×10-3×R=(5-3.3)V,求得R≈560Ω。

所以,将CH340串口线改造为适合连接3.3V单片机的方法很简单:将CH340串口线的TXD端(即图 1绿色线)串接一个560欧姆的电阻即可,然后再接到单片机的RXD端,其余,串口线的GND接单片机的地线,串口线的RXD接单片机的TXD。
本文完。
沙鸥 成都 2023年11月



