报警器是一种为防止或预防某事件发生所造成的后果,以声音、光、气压等形式来提醒或警示我们应当采取某种行动的电子产品。
报警器(alarm) ,分为机械式报警器和电子报警器。随着科技的进步,机械式报警器越来越多地被先进的电子报警器取代,常常应用于系统故障、安全防范、交通运输、医疗救护、应急救灾、感应检测等领域,与社会生产密不可分。如:门磁感应器和声光安全报警器等。

针对目前市场上存在的一些报警器的问题,在普通的报警器中加入语音报警这一功能,让报警器的使用者能够更加直接有效的了解报警的缘由,如: “<火警警报6秒>,已发生火警警情,请立刻启动灭火装置,并由安全通道疏散。”
而实现这语音报警功能的核心是加入了语音芯片N9300,可以根据客户要求定制语音内容,还定制真人发声的标准录音。
N9300语音芯片;它是一个提供串口的MP3 芯片,完美地集成了MP3、WMV 的硬解码芯片,在音频压缩方面有着超级大的优势。
支持TF 卡驱动,支持电脑直接更新spi flash 的内容,支持FAT16、FAT32 文件系统。通过简单的UART串口指令或一线串口指令即可完成播放指定的音乐,以及如何播放音乐等功能,无需繁琐的底层操作,音质优美,使用方便,稳定可靠是此款产品的最大特点。
内置看门狗,支持低压复位LVR(可选1.8V及2.0V);看门狗的功能是定期地查看芯片内部的情况,一旦发生错误就向芯片发出重启信号,看门狗命令在程序的中断中拥有最高的优先级。多种控制模式: UART串口/一线串口/AD按键控制模式;
模块是AD 按键的方式,取代了传统了矩阵键盘的接法,这样做的好处是充分利用了MCU 越来越强劲的AD功能。设计简约而不简单,模块默认配置1个AD 口,10个按键的阻值分配。
九芯电子N9300语音芯片ADKEY按键控制

N9300支持单片机模拟一线串口控制,该控制方式简单方便,适用于任何单片机。
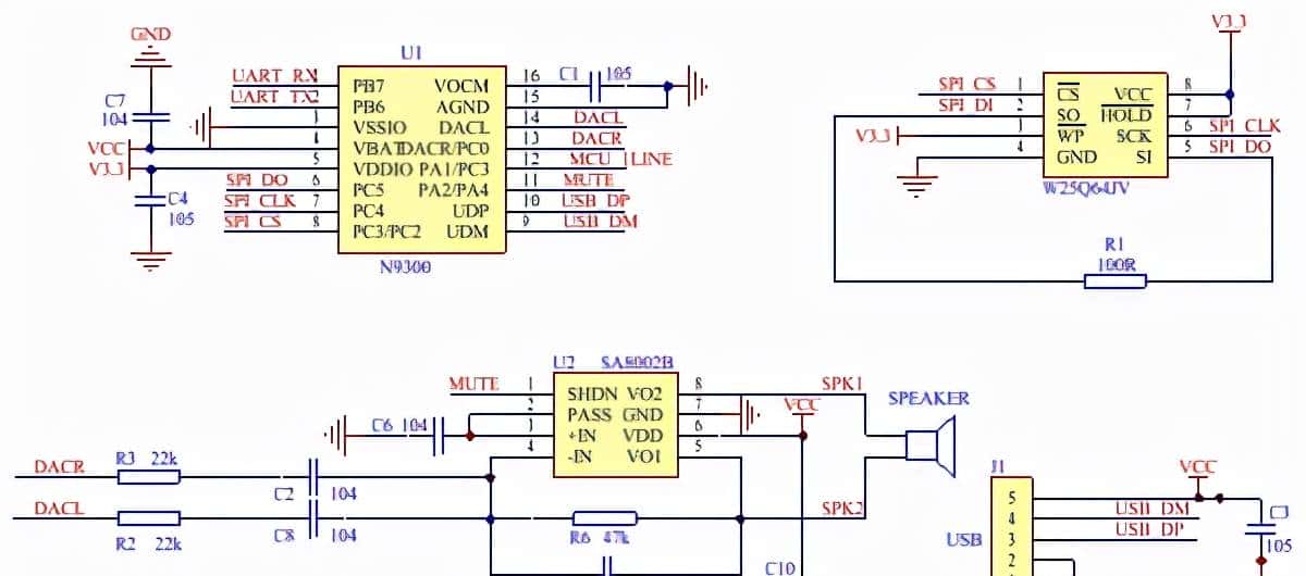
如下图N9300语音芯片电路参考图

可以看出硬件的外围电路是超级简单的,而且成本低,超级适合大量生产。而且在语音芯片选型应用范围上,几乎可以涉及到低成本语音场所,堪比各行业通用的常用语音芯片。
而声光报警器中的就是靠语音芯片发出警报的,警报的内容是可以定制的,列如N9300语音芯片应用在九盾安防声光报警器中,发出的警报内容就是烧录到这个语音芯片里面,然后接上电源就可以发出警报。

N9300音乐芯片支持电脑声卡控制,支持USB mass storage直接更新语音,烧录次数超过20万次。客户可以随意更换音乐内容,超级方便。

九盾声光报警器应用了N9300语音芯片实现USB直接更换警报内容
从上面这个图我们可以看到这款应用了N9300语音芯片的九盾安防声光报警器是支持USB更换报警语音的,如果客户有需求可以直接在电脑上更换,不需要另外定制购买,节省了采购成本。
可以根据客户不同的需求烧录自己定制的警报内容;如在倒车雷达、防撞系统、限速报警等汽车行业,语音内容:“车辆转弯,请注意安全。” “叉车行驶请注意安全”。



收藏了,感谢分享